Ihr zuverlässigster B2B-Lieferant auf dem Markt!

SKF  |  SKU: L.7015 ACDGA P4 SKF -- 7015 ACDGA/P4A

SKF 7015 ACDGA/P4A Spindellager


Variante
€283,63
inkl. MwSt. Versand wird beim Checkout berechnet.

Beschreibung

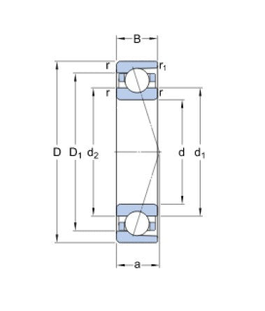
7015 ACDGA/P4A SKF Kugellager mit schrägem Kontakt

Parametry

Durchmesser D (mm):

75

Durchmesser D (mm):

115

Breite A (mm):

32,3

Breite B (mm):

20

Typ:

Spindellager

Winkel (°):

25°

Kennzeichnung:

7015 ACDGA/P4A

DOTAZ PRODEJCI

SKF

SKF 7015 ACDGA/P4A Spindellager

€283,63

Variante

  • Standardoption
Produkt anzeigen