Beschreibung
Beschreibung
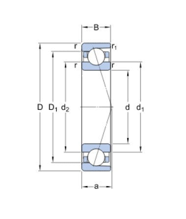
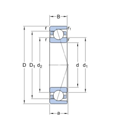
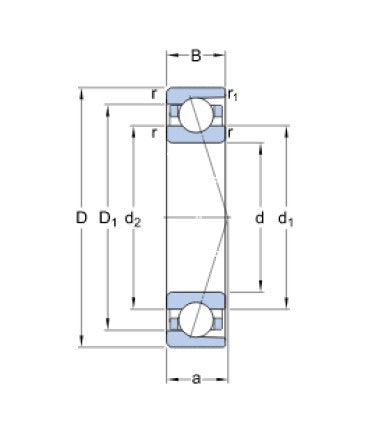
SKF 7206 ACDGA/P4A - Präzises Nicht zerlegbares einreihiges Kugellager mit schrägem Kontakt, mit einem Kontaktwinkel von 25°, leichtem Käfig aus phenolischem Harz, verstärkt mit Textilgewebe, geführt durch die Außenringbestückung, universell paarbar mit leichtem Vorspann.
Lager können axiale Lasten nur in eine Richtung übertragen, daher sind sie normalerweise gegen das zweite Lager eingestellt.
Das Innenspiel von einreihigen Kugellagern mit schrägem Kontakt wird erst nach der Montage erreicht und hängt von der Einstellung der axialen Position zum zweiten Lager ab, das die axiale Führung in die entgegengesetzte Richtung sichert.
Lager für universelles Paaren werden paarweise montiert und so hergestellt, dass bei der Montage für axiale Lasten in eine Richtung, d.h. in Tandem, oder für axiale Lasten in beide Richtungen, d.h. Rücken an Rücken in "O" oder Stirn an Stirn in "X", ein vorbestimmtes Innenspiel oder Vorspannung oder eine gleichmäßige Lastverteilung ohne Verwendung von Ausgleichscheiben erreicht wird.
Lager können axiale Lasten nur in eine Richtung übertragen, daher sind sie normalerweise gegen das zweite Lager eingestellt.
Das Innenspiel von einreihigen Kugellagern mit schrägem Kontakt wird erst nach der Montage erreicht und hängt von der Einstellung der axialen Position zum zweiten Lager ab, das die axiale Führung in die entgegengesetzte Richtung sichert.
Lager für universelles Paaren werden paarweise montiert und so hergestellt, dass bei der Montage für axiale Lasten in eine Richtung, d.h. in Tandem, oder für axiale Lasten in beide Richtungen, d.h. Rücken an Rücken in "O" oder Stirn an Stirn in "X", ein vorbestimmtes Innenspiel oder Vorspannung oder eine gleichmäßige Lastverteilung ohne Verwendung von Ausgleichscheiben erreicht wird.
Parametry
Parametry
Durchmesser D (mm):
62
Breite A (mm):
18,8
Breite B (mm):
16
Typ:
Kugellager mit schrägem Kontakt
Winkel (°):
25°
Kennzeichnung:
7206 ACDGA/P4A